1916 herrschte eine rege Bautätigkeit um Tagolsheim und Walheim. Unterkünfte für viele hundert Mann mussten geschaffen werden. Von diesen Bauvorhaben sind Planskizzen vom Januar 1916 erhalten geblieben, welche die Bautätigkeiten zwischen Tagolsheim und Sankt Morand entlang der Bahnlinie belegen. Insgesamt waren 78 Unterstände und somit Schlafplätze für knapp 1800 Mann geplant. Die einzelnen Baustellen waren eingeteilt in die Abschnitte 1 bis 10.
Wie eine Stellungskarte vom Juni 1916 belegt, wurden in den Abschnitten 1 bis 4 die Unterstände zu Stollenanlagen umgebaut. Dadurch konnte die Aufnahmekapazität wohl erheblich gesteigert werden.
Abschnitte 1 bis 5:
Die Stollenanlagen an der Bahnlinie bei Tagolsheim und Walheim. Karte von Juni 1916. Bauabschnitte 1 bis 5:

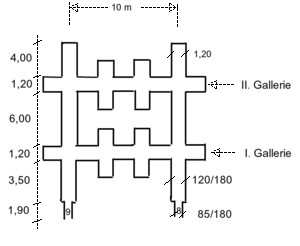
Beispiel-Skizze einer Stollenanlage mit fünf Eingängen und zwei Querstollen (Gallerie):

__________
Abschnitt 1: Planskizze, westlich Bahnhof Tagolsheim, Unterstände 1 - 9:
Zu den im Januar 1916 vorhandenen Unterständen und Munitionsräumen sollten zusätzlich noch 9 Unterständen in diesen Osthang gebaut werden. Die 9 Unterstände hatten eine Kapazität von je 32 Mann, somit konnten hier 288 Mann untergebracht werden.

Schon bald wurde jedoch eine große Stollenanlage bebaut. Die Anlage mit den sieben Eingängen hatte eine nutzbare Stollenlänge (ohne Nischen) von 192 Meter. Sie verfügte über 59 Liege-Nischen für jeweils 4 Mann mit den Massen 2 x 1,20 Meter. In den Eingangsstollen war Platz für je 7 Mann. In den Gallerien waren Liegestellen für 72 Mann. Außerdem Stehplätze für rund 300 Mann.

Auf dem Feldweg, der über dieser Stollenanlage verläuft, bemerkt man im Boden im Abstand von ca. 7 Meter zwei Löcher. Hier kam es wohl zum Einsturz der unterirdischen Gänge.
Ein einmaliges seltenes Bild: Stollenbau bei Tagolsheim durch die 4. Landwehr-Pionierkompagnie des Pionier-Bataillon Nr. 426. Das Bild wurde wohl hier bei der Stollenanlage beim Bahnhof aufgenommen:

__________
Abschnitt 2: Planskizze, kleiner Einschnitt zwischen Tagolsheim und Walheim westlich der Bahnlinie. Unterstände 10 - 13:

Auch hier waren im Januar 1916 vier weitere Unterstände mit einer Kapazität von 128 Mann (4 x 32) geplant. Im Sommer dann eine Stollenanlage mit 5 Eingängen. Die Stollenanlage war geplant mit 27 Nischen à 4 Mann und 2 Nischen à 6 Mann. In den Stollen und Gallerien waren Liegeplätze vorgesehen für weitere 50 Mann. Außerdem Stehplätze für 150 Mann.
__________
Abschnitt 3: Stollenanlage ca. 400 Meter westlich vom Friedhof Walheim. 10 Eingänge, nur eine Gallerie:

Vor den Eingängen die typischen Erdterrassen aus Abraum-Material:

__________
Abschnitt 4:
Dieser Steilabhang westlich vom Bahnhof Walheim und ca. 400 Meter vom Bahnhof entfernt, ist schon unter "Walheim West" beschrieben. Es entstanden 28 Unterstände (N° 14 - 42) mit einer Kapazität von 504 Mann (28 x18).
Am steil abfallenden Nord-Ost Hang des Waldstücks befand sich ein Lager. Viele Gruben/Mulden zeugen von den Standorten der Unterstände. Die Lage der Gruben stimmen jedoch nicht genau mit der Bau-Skizze überein.
Auch Stolleneingänge (z.B. bei N47 38.590 E7 15.514) sind noch zu sehen:

Bau-Skizze des Lagers:
In diesem Abschnitt 4 befanden sich die Unterstände N° 14 bis 42 und am Südrand eine Artillerie Stellung. Das Lager war ca. 400 Meter von der Bahnlinie entfernt. Es waren 28 Unterstände für jeweils 18 Mann und hatte somit eine Kapazität von 504 Mann.

Auf dem Original-Plan ist folgender Vermerk zu lesen:
"Den Hang abstecken, alsdann geeigneten Zimmerplatz suchen, Unterstände zimmern, einen Teil der Mannschaft zur Materialzufuhr verwenden."
___________
Abschnitt 5: Bahneinschnitt südlich Bahnhof Walheim beim Bahnwarthaus N° 11. Unterstände 43 - 57:
Auf der Skizze die Bauarbeiten vom Januar 1916. Zu den bereits vorhandenen kamen weitere 15 Unterstände mit einer Kapazität von jeweils 32 Mann. D.h. für 15 x 32 = 480 Mann.

Ein Artillerie-Unterstand mit einem gemauerten Ofen ist in diesem Abschnitt noch erhalten geblieben:

__________
Abschnitte 6 bis 10:
Die Abschnitte 6 bis 10 zwischen Walheim und Sankt Morand: Auf diesem Kartenausschnitt ist zu sehen, dass die Strasse (D 419), im Gegensatz zu heute, nördlich der Kirche St. Morand die Bahnlinie überquerte. Dort befand sich die Bahnstation Morand mit dem Bahnwärterhaus N° 12.
Im Walheimer Hölzle befanden sich noch weitere Stollenanlagen. Diese sind unter Altkirch-Rebberg bzw. dort unter Altkirch-Rebberg - Walheimer Hölzle Nord bzw. Altkirch-Rebberg - Walheimer Hölzle Süd beschrieben.
Abschnitt 6 (N47 38.082 E7 15.681):
Zu erkennen sind drei Eingänge welche jedoch verschüttet sind. Wie so oft bei solchen Anlagen, finden sich in der Nähe solche verzinkte Eimer.

__________
Abschnitt 7: am Steilabhang westlich der Bahn bei Kilometer 14,6. Neun Unterstände für jeweils 16 Mann = 144 Mann:
Die sechs begonnenen Stollen wurden mit einem Querschnitt von 120 x 180 cm angelegt.

Das Gelände bei den Unterständen 58 - 66:

Von den begonnenen Stollen sind heute noch zwei Eingänge sichtbar. Durch den linken Eingang ist der Stollen begehbar (auf eigene Gefahr). Im Innern sind noch Reste von Rahmenhölzern vorhanden.

Siehe dazu auch unter Altkirch-Rebberg - Walheimer Hölzle Süd
___________
Abschnitt 8: In den zwei alten Steinbrüchen zwischen Km 15,1 und 15,2 die Unterstände N° 67 bis 72. Sechs Unterstände für je 16 Mann = 96 Mann:

__________
Abschnitt 9: die sechs Unterstände N° 73 bis 78 in dem alten Steinbruch nördlich vom Bahnwarthaus N° 12, Bahnstation Morand. Kapazität = 6 x 16 = 96 Mann:

Heute ist dieser Steinbruch nicht mehr vorhanden, das Gebiet ist bebaut und die Straßenführung geändert. Das Bahnwärterhaus musste wohl der heutigen Strasse (D 419) weichen.
__________
Abschnitt 10:
Diese Skizze zeigt drei Unterstände "im Tannenwäldchen westlich der Bahnlinie bei der Kapelle St. Morand". Dies ist der erste Hinweis auf die Existenz der Kapelle. Sie ist auch auf keiner der alten Karten zu finden. Ein Fussweg führte hinab zur Kapelle.

__________
Berichte über den Stollenbau:
Ein Bericht von Major Fleischmann, Regimentskommandeur des Landwehr-Infanterie-Regiment 126, über die Erfahrungen beim Unterstandbau:

"a) Betonbauten:
Die Grundfläche von Betonbauten darf nicht zu klein bemessen werden, da sonst die Bauten durch Artillerie-Treffer umgeworfen werden. Die Umfassungswände sind auf den in der Schussrichtung liegenden Seiten tief in den Boden hinabzuführen, damit das Bauwerk nicht unterschossen werden kann.
Die betonierten M.G.- und Beobachtungsstände mit 1 Meter Eisenbetondecke haben sich an der Westfront gegen Granaten bis zu 15 cm Kaliber und schwere Minen durchweg bewährt, dagegen haben Beobachtungsstände die mit Betonsteinen in gleicher Stärke abgedeckt waren, Volltreffer von Granaten und Minen mittleren Kalibers nicht ausgehalten. Das Eisengestänge ist bei der Detonation gelockert bzw. gebrochen und die einzelnen Steine haben sich übereinander verschoben.
b) Stollenanlagen:
Bei Stollenanlagen hat es sich bewährt, die ersten Rahmen der Stolleneingänge in der Schussrichtung kräftig zu verstreben und mit Schürmanneisen gegenseitig zu verbinden. Die Stollenrahmen in den Eingängen dürfen nicht vertikal, sondern senkrecht zur Schachtneigung gesetzt werden (Schleppschächte). Durch die Verzapfung der Rahmenhölzer werden die Deckenhölzer so geschwächt, dass dieselben durch Artillerie- oder Minentreffer geknickt werden, auch wird bei älteren Stollenanlagen die Tragfähigkeit der Deckenhölzer durch die Wirkung der Feuchtigkeit bedeutend herabgesetzt: es empfiehlt sich deshalb eine Verstärkung durch besondere Unterzüge.
c) Wellblech - Unterstände:
Bei einem mit etwa 1,5 Meter starken Baumstammlagen abgedeckten Wellblech-Unterstand hat ein Volltreffer einer 12 cm Granate, die vor der feindwärts gelegenen Stirnseite einschlug, und noch etwa 1 Meter ausserhalb des Unterstandes explodierte, die Stirnseite eingedrückt und den Wellblech-Unterstand in der Längsrichtung verschoben. Sämtliche Insassen wurden durch Quetschungen teils schwer, teils leicht verletzt. Es hat sich gezeigt, dass es gefährlich ist, Wellblechbogen-Unterstände mit der Stirnseite gegen den Feind aufzustellen, ohne die Stirnseite genügend stark zu schützen und den Unterstand in der Schussrichtung zu verstreben. Es dürfte sich empfehlen, die Wellblechbögen mit der Wölbung senkrecht zur Schussrichtung anzuordnen, die Wucht eines Treffers würde hierbei durch die Bogenform des Wellblechs aufgefangen und ein Verschieben des Unterstandes in der Schussrichtung unmöglich gemacht.
Auch ließen sich bei dieser Anordnung leicht 2 Ausgänge an den beiden Stirnseiten anbringen. Vergleiche Skizze:
"
__________
Die Regimentsgeschichte einer Pioniereinheit gibt uns zum Stollenbau folgende Informationen:
"Um einen Stollengang mit einem Querschnitt von 80/180 cm (Minenstollen) einen Meter vorzutreiben, mussten 260 Sandsäcke mit Miniergut (Erde, Steine) ins Freie geschafft werden. Wohnstollen dagegen wurden mit einem Querschnitt von 120/180 cm angelegt."
Kommentar eines Pioniers: "Beim Eintreten in die Stollen zum Schneiden dicker Tabaksqualm, der, vermischt mit allen möglichen menschlichen Ausdünstungen, die bekannte Stollenluft bildete."
__________
Die Stollengänge wurden mit sogenannten Stollenrahmen aus Holz ausgebaut. Reste dieser Hölzer sind heute noch öfters zu finden. Ein nach unten führender Gang wurde "Schleppschacht" genannt. Wie auf der Skizze links ersichtlich, wurden die Stollenrahmen immer senkrecht zum Stollenboden eingebaut:
